
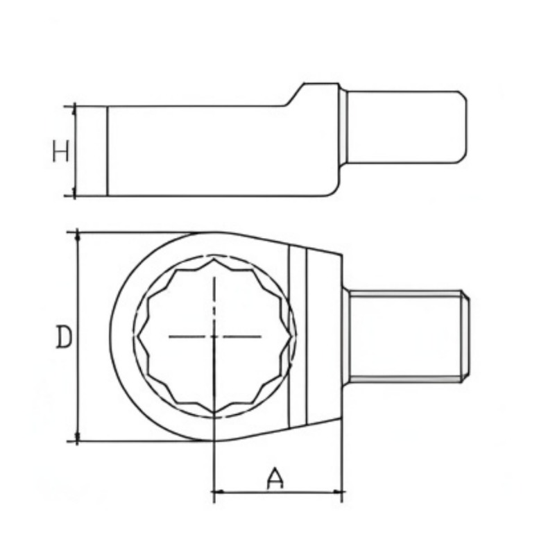
These industrial-grade Square Head Box-End Inserts are precision-engineered interchangeable wrench heads designed for high-torque applications, featuring four drive sizes (9x12mm to 27x36mm) and opening specifications from 4mm to 80mm. Capable of handling maximum torque loads from 7 N.m up to 3000 N.m, they offer a versatile and robust solution for professional mechanical assembly and precision tensioning in tight spaces.
| Product No. | Opening Size | Insert Size | L (mm) | H (mm) | D (mm) | Max Torque (N.m) |
| 9×12 Series | ||||||
| ZQH94 | 4 | 9×12 | 17.5 | 6 | 9.6 | 7 |
| ZQH95 | 5 | 9×12 | 17.5 | 6 | 11 | 12 |
| ZQH96 | 6 | 9×12 | 17.5 | 8 | 12 | 18 |
| ZQH97 | 7 | 9×12 | 17.5 | 8 | 13 | 25 |
| ZQH98 | 8 | 9×12 | 17.5 | 8 | 14 | 34 |
| ZQH99 | 9 | 9×12 | 17.5 | 9 | 16 | 45 |
| ZQH910 | 10 | 9×12 | 17.5 | 9 | 17 | 58 |
| ZQH911 | 11 | 9×12 | 17.5 | 9 | 19 | 72 |
| ZQH912 | 12 | 9×12 | 17.5 | 12 | 20 | 89 |
| ZQH913 | 13 | 9×12 | 17.5 | 12 | 22 | 105 |
| ZQH914 | 14 | 9×12 | 17.5 | 12 | 23 | 125 |
| ZQH915 | 15 | 9×12 | 17.5 | 12 | 24 | 145 |
| ZQH916 | 16 | 9×12 | 17.5 | 13 | 26 | 160 |
| ZQH917 | 17 | 9×12 | 17.5 | 13 | 27 | 160 |
| ZQH918 | 18 | 9×12 | 17.5 | 13 | 29 | 160 |
| ZQH919 | 19 | 9×12 | 17.5 | 13 | 30 | 160 |
| ZQH920 | 20 | 9×12 | 17.5 | 13 | 33 | 160 |
| ZQH921 | 21 | 9×12 | 17.5 | 13 | 33 | 160 |
| ZQH922 | 22 | 9×12 | 17.5 | 13 | 35 | 160 |
| ZQH923 | 23 | 9×12 | 17.5 | 13 | 36.5 | 160 |
| ZQH924 | 24 | 9×12 | 25* | 13 | 37.5 | 160 |
| ZQH925 | 25 | 9×12 | 25* | 13 | 40 | 160 |
| ZQH927 | 27 | 9×12 | 25* | 13 | 41.5 | 160 |
| ZQH930 | 30 | 9×12 | 25* | 13 | 45 | 160 |
| ZQH932 | 32 | 9×12 | 25* | 13 | 47.5 | 160 |
| ZQH936 | 36 | 9×12 | 30* | 13 | 52 | 160 |
| ZQH941 | 41 | 9×12 | 35* | 13 | 61 | 160 |
| 14×18 Series | ||||||
| ZQH146 | 6 | 14×18 | 25 | 11 | 13 | 18 |
| ZQH147 | 7 | 14×18 | 25 | 11 | 14 | 25 |
| ZQH148 | 8 | 14×18 | 25 | 11 | 16 | 34 |
| ZQH149 | 9 | 14×18 | 25 | 11 | 16 | 45 |
| ZQH1410 | 10 | 14×18 | 25 | 11 | 16 | 58 |
| ZQH1411 | 11 | 14×18 | 25 | 11 | 18.5 | 75 |
| ZQH1412 | 12 | 14×18 | 25 | 11 | 21.5 | 89 |
| ZQH1413 | 13 | 14×18 | 25 | 11 | 21.5 | 105 |
| ZQH1414 | 14 | 14×18 | 25 | 11 | 23 | 125 |
| ZQH1415 | 15 | 14×18 | 25 | 11 | 24 | 150 |
| ZQH1416 | 16 | 14×18 | 25 | 12 | 26 | 175 |
| ZQH1417 | 17 | 14×18 | 25 | 12 | 27 | 200 |
| ZQH1418 | 18 | 14×18 | 25 | 12 | 29 | 230 |
| ZQH1419 | 19 | 14×18 | 25 | 12 | 31 | 260 |
| ZQH1420 | 20 | 14×18 | 25 | 15 | 33 | 290 |
| ZQH1421 | 21 | 14×18 | 25 | 15 | 33 | 330 |
| ZQH1422 | 22 | 14×18 | 25 | 15 | 35 | 360 |
| ZQH1424 | 24 | 14×18 | 25 | 15 | 38 | 360 |
| ZQH1425 | 25 | 14×18 | 25 | 15 | 40 | 360 |
| ZQH1426 | 26 | 14×18 | 25 | 16 | 42 | 360 |
| ZQH1427 | 27 | 14×18 | 25 | 16 | 42 | 360 |
| ZQH1428 | 28 | 14×18 | 25 | 16 | 45 | 360 |
| ZQH1429 | 29 | 14×18 | 25 | 16 | 45 | 360 |
| ZQH1430 | 30 | 14×18 | 25 | 16 | 45 | 360 |
| ZQH1431 | 31 | 14×18 | 25 | 16 | 48 | 360 |
| ZQH1432 | 32 | 14×18 | 25 | 16 | 48 | 360 |
| ZQH1433 | 33 | 14×18 | 30* | 16 | 50 | 360 |
| ZQH1434 | 34 | 14×18 | 30* | 16 | 51 | 360 |
| ZQH1435 | 35 | 14×18 | 30* | 16 | 52 | 360 |
| ZQH1436 | 36 | 14×18 | 30* | 16 | 54 | 360 |
| ZQH1437 | 37 | 14×18 | 30* | 16 | 55 | 360 |
| ZQH1438 | 38 | 14×18 | 35* | 16 | 57 | 360 |
| ZQH1441 | 41 | 14×18 | 35* | 16 | 61 | 360 |
| ZQH1442 | 42 | 14×18 | 35* | 16 | 63 | 360 |
| ZQH1445 | 45 | 14×18 | 40* | 16 | 67 | 360 |
| ZQH1446 | 46 | 14×18 | 40* | 16 | 68 | 360 |
| ZQH1447 | 47 | 14×18 | 40* | 16 | 69 | 360 |
| ZQH1450 | 50 | 14×18 | 40* | 16 | 70 | 360 |
| ZQH1455 | 55 | 14×18 | 45* | 16 | 76 | 360 |
| ZQH1460 | 60 | 14×18 | 45* | 16 | 84 | 360 |
| ZQH1465 | 65 | 14×18 | 50* | 16 | 90 | 360 |
| ZQH1470 | 70 | 14×18 | 55* | 16 | 96 | 360 |
| ZQH1475 | 75 | 14×18 | 60* | 16 | 100 | 360 |
| ZQH1480 | 80 | 14×18 | 65* | 16 | 108 | 360 |
| 24×32 Series | ||||||
| ZQH2424 | 24 | 24×32 | 35 | 25 | 65 | 1200 |
| ZQH2427 | 27 | 24×32 | 35 | 25 | 68 | 1200 |
| ZQH2430 | 30 | 24×32 | 35 | 25 | 72 | 1200 |
| ZQH2432 | 32 | 24×32 | 35 | 25 | 74 | 1200 |
| ZQH2434 | 34 | 24×32 | 35 | 25 | 76 | 1200 |
| ZQH2436 | 36 | 24×32 | 40* | 25 | 80 | 1200 |
| ZQH2438 | 38 | 24×32 | 40* | 25 | 80 | 1200 |
| ZQH2441 | 41 | 24×32 | 45* | 25 | 80 | 1200 |
| ZQH2446 | 46 | 24×32 | 45* | 25 | 84 | 1200 |
| ZQH2450 | 50 | 24×32 | 50* | 25 | 98 | 1200 |
| 27×36 Series | ||||||
| ZQH2727 | 27 | 27×36 | 50 | 28 | 68 | 3000 |
| ZQH2730 | 30 | 27×36 | 50 | 28 | 70 | 3000 |
| ZQH2731 | 31 | 27×36 | 50 | 28 | 70 | 3000 |
| ZQH2732 | 32 | 27×36 | 50 | 28 | 70 | 3000 |
| ZQH2734 | 34 | 27×36 | 50 | 28 | 75 | 3000 |
| ZQH2736 | 36 | 27×36 | 50 | 28 | 75 | 3000 |
| ZQH2738 | 38 | 27×36 | 50 | 28 | 80 | 3000 |
| ZQH2741 | 41 | 27×36 | 50 | 28 | 80 | 3000 |
| ZQH2746 | 46 | 27×36 | 50 | 28 | 86 | 3000 |
| ZQH2750 | 50 | 27×36 | 50 | 28 | 98 | 3000 |
| ZQH2755 | 55 | 27×36 | 55* | 28 | 105 | 3000 |
| ZQH2760 | 60 | 27×36 | 60* | 28 | 110 | 3000 |
| ZQH2765 | 65 | 27×36 | 60* | 28 | 118 | 3000 |
| ZQH2770 | 70 | 27×36 | 65* | 28 | 128 | 3000 |
| ZQH2775 | 75 | 27×36 | 75* | 28 | 138 | 3000 |
| ZQH2780 | 80 | 27×36 | 80* | 28 | 148 | 3000 |